Hit et miss "Karl"
- maximus
- Messages : 2393
- Enregistré le : sam. 29 mai 2010 08:01
- Localisation : 94 Chennevières sur Marne
Hit et miss "Karl"
Bonjour tous,
J'y vais aussi d'un Hit et miss, le père Noël étant repassé par la maison.
Bon je n'ai pas encore tout compris mais je ne me fait pas de soucis avec les pointures de notre forum.
Les premières pièces.. A bientôt pour la suite
Max
J'y vais aussi d'un Hit et miss, le père Noël étant repassé par la maison.
Bon je n'ai pas encore tout compris mais je ne me fait pas de soucis avec les pointures de notre forum.
Les premières pièces.. A bientôt pour la suite
Max
- rhavrane
- Messages : 2302
- Enregistré le : ven. 11 févr. 2011 19:00
- Localisation : Saint-Mandé
- Contact :
Re: Hit et miss "Karl"
Bonjour Max,
Enfin ! Cela dit, tu aurais pu montrer le résultat attendu à nos amis :
https://www.youtube.com/watch?v=sHBNLPfMErI
Il est largement plus beau que celui que j'ai acheté chez Micoosm, Le Père Noël t'a gâté
Enfin ! Cela dit, tu aurais pu montrer le résultat attendu à nos amis :
https://www.youtube.com/watch?v=sHBNLPfMErI
Il est largement plus beau que celui que j'ai acheté chez Micoosm, Le Père Noël t'a gâté

Raphaël
La vapeur oui, et avec son ...
Mes vidéos: http://www.youtube.com/user/rhavrane
Membre du MYCP : http://mycparis.fr/
La vapeur oui, et avec son ...
Mes vidéos: http://www.youtube.com/user/rhavrane
Membre du MYCP : http://mycparis.fr/
Re: Hit et miss "Karl"
Bonjour,
pour la vidéo qui me permet de découvrir cette belle machine.
Tu as du être très sage l'an dernier pour que le
te choie de la sorte
Bon courage pour la suite
Gérard

Tu as du être très sage l'an dernier pour que le


Bon courage pour la suite
Gérard
- minimotoriste
- Messages : 2198
- Enregistré le : mer. 6 juin 2012 03:54
- Localisation : 82 castelsarrasin
Re: Hit et miss "Karl"
Bonsoir "maximus" et tout le monde
vaperigord https://www.youtube.com/watch?v=WyJNJzDmIGk
minimotoriste https://www.youtube.com/watch?v=6B5bmIGDd3U&t=15s
Max ,je vois que tu usines la culasse ,j ai lamé le puits de la bougie pour la faire descendre et depuis le démarrage en est grandement facilité
Bonne suite .@+++.Henry.
Et dire que des amis du forum ont fait ce moteur



vaperigord https://www.youtube.com/watch?v=WyJNJzDmIGk
minimotoriste https://www.youtube.com/watch?v=6B5bmIGDd3U&t=15s
Max ,je vois que tu usines la culasse ,j ai lamé le puits de la bougie pour la faire descendre et depuis le démarrage en est grandement facilité
Bonne suite .@+++.Henry.
- rhavrane
- Messages : 2302
- Enregistré le : ven. 11 févr. 2011 19:00
- Localisation : Saint-Mandé
- Contact :
Re: Hit et miss "Karl"
Bonjour,
1 000 pardons, j'avais zappé ton magnifique exemplaire
1 000 pardons, j'avais zappé ton magnifique exemplaire

Raphaël
La vapeur oui, et avec son ...
Mes vidéos: http://www.youtube.com/user/rhavrane
Membre du MYCP : http://mycparis.fr/
La vapeur oui, et avec son ...
Mes vidéos: http://www.youtube.com/user/rhavrane
Membre du MYCP : http://mycparis.fr/
- vaperigord
- Messages : 533
- Enregistré le : jeu. 20 déc. 2018 22:40
Re: Hit et miss "Karl"

les trois mousquetaires du hit et miss

- maximus
- Messages : 2393
- Enregistré le : sam. 29 mai 2010 08:01
- Localisation : 94 Chennevières sur Marne
Re: Hit et miss "Karl"
Bonjour,
Merci Minimotoriste pour l'astuce du puits de bougie, que j'ai appliqué aussitôt
A bientôt pour la suite
Max
Merci Minimotoriste pour l'astuce du puits de bougie, que j'ai appliqué aussitôt

A bientôt pour la suite
Max
- rhavrane
- Messages : 2302
- Enregistré le : ven. 11 févr. 2011 19:00
- Localisation : Saint-Mandé
- Contact :
Re: Hit et miss "Karl"
Bonjour Max,
Cela veut dire quoi "lamer le puits de bougie" ?
Cela veut dire quoi "lamer le puits de bougie" ?
Raphaël
La vapeur oui, et avec son ...
Mes vidéos: http://www.youtube.com/user/rhavrane
Membre du MYCP : http://mycparis.fr/
La vapeur oui, et avec son ...
Mes vidéos: http://www.youtube.com/user/rhavrane
Membre du MYCP : http://mycparis.fr/
Re: Hit et miss "Karl"
Bonsoir à tous !
Lamer: C'est usiner une belle portée ( de joint ) bien plane et bien perpendiculaire a l'alésage du puits à l'aide
d'une fraise à lamer ( fraise deux tailles équipée d'une tige guide en son centre, du même diamètre que l'alésage
du puits à lamer ) Ça, c'était avant les commandes numériques !
Bonne soirée à tous !
Lamer: C'est usiner une belle portée ( de joint ) bien plane et bien perpendiculaire a l'alésage du puits à l'aide
d'une fraise à lamer ( fraise deux tailles équipée d'une tige guide en son centre, du même diamètre que l'alésage
du puits à lamer ) Ça, c'était avant les commandes numériques !
Bonne soirée à tous !
- rhavrane
- Messages : 2302
- Enregistré le : ven. 11 févr. 2011 19:00
- Localisation : Saint-Mandé
- Contact :
Re: Hit et miss "Karl"
Bonjour,
Max m'a fait une belle surface plane sur ma pompe de D10 et je ne crois pas qu'il ait évoqué une fraise à lamer ==> tu pourrais nous faire une photo de fraise "normale" et une d'une "à lamer" ? D'avance merci.
Max m'a fait une belle surface plane sur ma pompe de D10 et je ne crois pas qu'il ait évoqué une fraise à lamer ==> tu pourrais nous faire une photo de fraise "normale" et une d'une "à lamer" ? D'avance merci.
Raphaël
La vapeur oui, et avec son ...
Mes vidéos: http://www.youtube.com/user/rhavrane
Membre du MYCP : http://mycparis.fr/
La vapeur oui, et avec son ...
Mes vidéos: http://www.youtube.com/user/rhavrane
Membre du MYCP : http://mycparis.fr/
Re: Hit et miss "Karl"

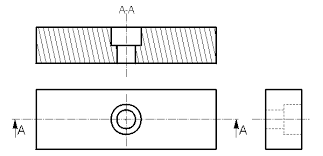
voila une fraise classique d'ebauche ,une à lamer et un dessin de lamage.
le lamage sert generalement a noyer une tete de vis ,dans le cas de max c'est pour pouvoir visser plus loin la bougie (la rapprocher du piston)
le téton de la fraise a lamer rentre dans le trou existant et assure la concentricité des 2 Ø
- rhavrane
- Messages : 2302
- Enregistré le : ven. 11 févr. 2011 19:00
- Localisation : Saint-Mandé
- Contact :
Re: Hit et miss "Karl"
Bonjour,
OK clair, merci
OK clair, merci

Raphaël
La vapeur oui, et avec son ...
Mes vidéos: http://www.youtube.com/user/rhavrane
Membre du MYCP : http://mycparis.fr/
La vapeur oui, et avec son ...
Mes vidéos: http://www.youtube.com/user/rhavrane
Membre du MYCP : http://mycparis.fr/
- maximus
- Messages : 2393
- Enregistré le : sam. 29 mai 2010 08:01
- Localisation : 94 Chennevières sur Marne
Re: Hit et miss "Karl"
Salut Raphaël
Je te ferais une démo quand tu passeras à la maison
Je te ferais une démo quand tu passeras à la maison

- maximus
- Messages : 2393
- Enregistré le : sam. 29 mai 2010 08:01
- Localisation : 94 Chennevières sur Marne
Re: Hit et miss "Karl"
Bonjour,
Une petite suite.
Confection du piston, plus qu'à tronçonner
Pas pu faire mieux.
A bientôt.
Max
Une petite suite.
Confection du piston, plus qu'à tronçonner
Pas pu faire mieux.
A bientôt.
Max
- minimotoriste
- Messages : 2198
- Enregistré le : mer. 6 juin 2012 03:54
- Localisation : 82 castelsarrasin
Re: Hit et miss "Karl"

Afin d avoir le meilleur ajustage possible, j avais fait la finition en montant le piston sur un simblot (directement usiné dans le mandrin et sans démontage) afin de permettre le contrôle avec la chemise rectifiée (pour enlever le dernier pouillème avec du "1200~"et du pétrole), je ne sais plus si c'est noté sur le plan mais 1 ou 2 petites rainures sur le haut du piston aide bien à l'étanchéité (et améliore le graissage )
Bonne journée .@+++.Henry.
Qui est en ligne
Utilisateurs parcourant ce forum : Aucun utilisateur enregistré et 4 invités