stirling Béta plan de Rudy Mémin

Avatar du membre
Trompi
Messages : 945
Enregistré le : ven. 28 mai 2010 22:44
Localisation : Ecrammeville

stirling Béta plan de Rudy Mémin

Message non lu par Trompi »

J'ai un problème avec le plan du stirling Béta de Rudy Mémin.
Concernant le piston moteur comportant un joint en cuir et un serre- joint. Je ne vois pas comment est fixé le serre-joint.
Vissé sur le piston ou sur le guide déplaceur?
Si quelqu'un a déja fabriqué ce moteur, peut-il me donner une explication.
Rien ne sert de chauffer si ça veut pas tourner

Avatar du membre
minimotoriste
Messages : 2198
Enregistré le : mer. 6 juin 2012 03:54
Localisation : 82 castelsarrasin

Re: stirling Béta plan de Rudy Mémin

Message non lu par minimotoriste »

Bonsoir Trompi et tout le monde
Moi pas tout comprendre :shock: ;-) le piston moteur ,le joint en cuir embouti et le guide de l axe du déplaceur doivent être solidaire la manière d y parvenir est au goût de chacun
Je n ai plus le bouquin de Rudy Mémin ,si tu mets le bout de plan il sera plus facile d en discuter
Bonne soirée .@+++.Henry.

Avatar du membre
jmb
Messages : 340
Enregistré le : sam. 29 mai 2010 19:12
Localisation : Limelette
Contact :

Re: stirling Béta plan de Rudy Mémin

Message non lu par jmb »

Bonjour, j'ai le livre et des plans. Je crois mais je n'ai pas un souvenir précis qu'il y a une indication de filetage pour la pièce qui tient le joint solidaire du piston. Une buselure filetée solidarisant le piston et le joint Malheureusement loin de chez moi je ne pourrai donner des détails que mercredi en soirée.
Cordialement. JMB

Avatar du membre
Trompi
Messages : 945
Enregistré le : ven. 28 mai 2010 22:44
Localisation : Ecrammeville

Re: stirling Béta plan de Rudy Mémin

Message non lu par Trompi »

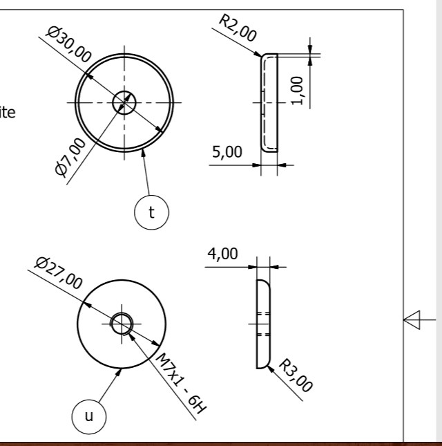
joint.jpg
perspective.jpg
Piston.jpg
Voici les vues correspondantes. Effectivement, il n'y a pas de consignes d'assemblage.
Rien ne sert de chauffer si ça veut pas tourner

Avatar du membre
gégé89
Messages : 2379
Enregistré le : sam. 14 mai 2011 10:41
Localisation : yonne

Re: stirling Béta plan de Rudy Mémin

Message non lu par gégé89 »

:coucou:
vissé sur le guide deplaceur M7x1
j'ai fait ce moteur en 2011
ne fait pas ma connerie du deplaceur et piston en teflon :aie: mdr c'etait mes débuts :)
Fichiers joints
IMG_3668 [800x600].JPG
IMG_3663 [800x600].JPG

Avatar du membre
Bégé
Messages : 3607
Enregistré le : mar. 6 mars 2007 17:38
Site Internet
Localisation : Rouhling (57)
Contact :

Re: stirling Béta plan de Rudy Mémin

Message non lu par Bégé »

Bonjour à tous,

j'avais reçu ce moteur de Fernand Petitjean, il ne fonctionnait pas et il y avait justement un souci avec le piston qui avait pas mal chauffé lors des expositions qu'il faisait, et je l'avais réparé, cliquez sur la photo pour les voir toutes TOP
et en bas de la page on voit l'ancien piston et le nouveau que j'ai refais avec le joint en cuir :)
Image
mon site perso : http://blooo.fr/

Avatar du membre
jmb
Messages : 340
Enregistré le : sam. 29 mai 2010 19:12
Localisation : Limelette
Contact :

Re: stirling Béta plan de Rudy Mémin

Message non lu par jmb »

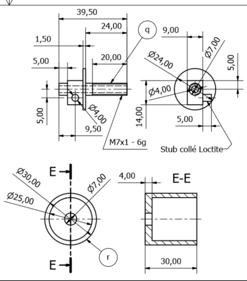
schéma montage piston beta n°64 (RM).pdf
(220.03 Kio) Téléchargé 518 fois
Bonjour à tous,
De retour chez moi, je vois que je n'ai plus rien à ajouter aux différentes réponses et aux photos du moteur de Fernand Petitjean. Un grand merci à Bege pour tout le boulot d'archives bien utiles pour connaître ce que peut devenir une réalisation bien didactique.
Quand j'ai étudié le plan de ce moteur, j'ai éprouvé pas mal de difficultés à comprendre, d'où un schéma que j'avais fait pour visualiser avant de me lancer dans sa réalisation. Je le mets en fichier pdf.
Cordialement,
jmb

Avatar du membre
Malevthi
Administrateur du site
Messages : 5079
Enregistré le : ven. 28 mai 2010 21:13
Localisation : Digne les Bains (04)

Re: stirling Béta plan de Rudy Mémin

Message non lu par Malevthi »

Merci jmb TOP
Le vrai trésor, c'est de transmettre ses connaissances (pas les virus !)

Avatar du membre
Trompi
Messages : 945
Enregistré le : ven. 28 mai 2010 22:44
Localisation : Ecrammeville

Re: stirling Béta plan de Rudy Mémin

Message non lu par Trompi »

Merci pour vos réponses
Rien ne sert de chauffer si ça veut pas tourner

gnoeting
Messages : 2
Enregistré le : mar. 9 mars 2021 21:32

Re: stirling Béta plan de Rudy Mémin

Message non lu par gnoeting »

Salut,

Je suis en train d'essayer de réaliser ce moteur et après avoir essayé de trouver une alternative à ce joint en cuir (un peu étrange vous me l’accorderez) je renonce et me décide à le fabriquer :lol: . Quel type de cuir choisir (si c'est important) ?
Vous lubrifiez avec quoi car niveau frottement ça doit pas être tip top ?

Par ailleurs connaissez quelques 'améliorations' simples que l'on puisse apporter à ce moteur ?

Guillaume

Avatar du membre
Bégé
Messages : 3607
Enregistré le : mar. 6 mars 2007 17:38
Site Internet
Localisation : Rouhling (57)
Contact :

Re: stirling Béta plan de Rudy Mémin

Message non lu par Bégé »

Bonjour Guillaume,
ah il y a déjà un moment que j'avais réparé ce moteur, donc je ne sais plus trop, mais il me semble quand même bien que après avoir refait un nouveau piston en aluminium j'avais remis un joint en cuir, maintenant quel cuir? ça je ne sais plus trop, je crois que c'était un vieux tablier de soudeur ou j'avais découpé un morceau :)

mais je devais bien l'imbiber d'huile pour parfaire l'étanchéité, désolé ne ne pas pouvoir t'aider plus ;)
mon site perso : http://blooo.fr/

Avatar du membre
Malevthi
Administrateur du site
Messages : 5079
Enregistré le : ven. 28 mai 2010 21:13
Localisation : Digne les Bains (04)

Re: stirling Béta plan de Rudy Mémin

Message non lu par Malevthi »

Le cuir de pangolin est à proscrire (trop d'écailles), de toutes façons il est en voie de disparition. jesors
Le vrai trésor, c'est de transmettre ses connaissances (pas les virus !)

Avatar du membre
gégé89
Messages : 2379
Enregistré le : sam. 14 mai 2011 10:41
Localisation : yonne

Re: stirling Béta plan de Rudy Mémin

Message non lu par gégé89 »

:coucou:
gnoeting a écrit :
mer. 10 mars 2021 16:45
Quel type de cuir choisir (si c'est important) ?
Vous lubrifiez avec quoi car niveau frottement ça doit pas être tip top ?
il te faut un cuir souple ,essai deja sans lubrifier car ça risque de trop freiner le piston , a voir ...

Avatar du membre
minimotoriste
Messages : 2198
Enregistré le : mer. 6 juin 2012 03:54
Localisation : 82 castelsarrasin

Re: stirling Béta plan de Rudy Mémin

Message non lu par minimotoriste »

Bonsoir Guillaume et tout le monde
welcome sur notre forum :presente: ce serait très sympa ;-)
gnoeting a écrit :
mer. 10 mars 2021 16:45
me décide à le fabriquer . Quel type de cuir choisir
C'est une combine qui fonctionne très bien, un bout de gant de travail ( ou de jardin) est parfaitement adapté (en cuir bien sur!!) mais il faut le former après avoir découpé le milieu (le plus précis possible ) et grossièrement l'extérieur, il faut le former sur un mandrin de ce type après l'avoir bien ramolli dans l'eau
gabarit piston.JPG
Le diamètre extérieur (diamètre de la bague intérieure de formage ) sera de 1 à 2/10 inférieur de celui du cylindre, il n'y a plus qu'à faire sécher (four , pistolet à air chaud .....), retailler la hauteur de la lèvre (5 mm environ), une goutte de vaseline (oui ça sert à ça :lol: ) et ça va compresser du tonnerre.
gnoeting a écrit :
mer. 10 mars 2021 16:45
quelques 'améliorations'

Qualité d'usinage, précision et rigueur sont la garantie d'un bon fonctionnement
A bientôt avec des photos on espère .@+++.Henry.

gnoeting
Messages : 2
Enregistré le : mar. 9 mars 2021 21:32

Re: stirling Béta plan de Rudy Mémin

Message non lu par gnoeting »

Salut à tous,
Merci pour tous vos messages :) ! J'ai du mettre le projet en pause un peu mais je m'y remet j'ai le joint et effectivement niveau étanchéité c'est sans comparaison... J'ai encore quelques problèmes de frottements résiduels mais j'espère y remédier et tester tout ça.
Vous êtes d'une réactivité impressionnante :bravo Mais je manque à tous mes devoirs : je vous envoie des photos et une petite description bientôt.

Répondre

Retourner vers « Aide au fonctionnement du Forum - tutoriels - un souci avec le forum? postez ici. »

Qui est en ligne

Utilisateurs parcourant ce forum : Aucun utilisateur enregistré et 1 invité