stirling Béta plan de Rudy Mémin
stirling Béta plan de Rudy Mémin
J'ai un problème avec le plan du stirling Béta de Rudy Mémin.
Concernant le piston moteur comportant un joint en cuir et un serre- joint. Je ne vois pas comment est fixé le serre-joint.
Vissé sur le piston ou sur le guide déplaceur?
Si quelqu'un a déja fabriqué ce moteur, peut-il me donner une explication.
Concernant le piston moteur comportant un joint en cuir et un serre- joint. Je ne vois pas comment est fixé le serre-joint.
Vissé sur le piston ou sur le guide déplaceur?
Si quelqu'un a déja fabriqué ce moteur, peut-il me donner une explication.
Rien ne sert de chauffer si ça veut pas tourner
- minimotoriste
- Messages : 2198
- Enregistré le : mer. 6 juin 2012 03:54
- Localisation : 82 castelsarrasin
Re: stirling Béta plan de Rudy Mémin
Bonsoir Trompi et tout le monde
Moi pas tout comprendre
le piston moteur ,le joint en cuir embouti et le guide de l axe du déplaceur doivent être solidaire la manière d y parvenir est au goût de chacun
Je n ai plus le bouquin de Rudy Mémin ,si tu mets le bout de plan il sera plus facile d en discuter
Bonne soirée .@+++.Henry.
Moi pas tout comprendre
Je n ai plus le bouquin de Rudy Mémin ,si tu mets le bout de plan il sera plus facile d en discuter
Bonne soirée .@+++.Henry.
Re: stirling Béta plan de Rudy Mémin
Bonjour, j'ai le livre et des plans. Je crois mais je n'ai pas un souvenir précis qu'il y a une indication de filetage pour la pièce qui tient le joint solidaire du piston. Une buselure filetée solidarisant le piston et le joint Malheureusement loin de chez moi je ne pourrai donner des détails que mercredi en soirée.
Cordialement. JMB
Cordialement. JMB
Re: stirling Béta plan de Rudy Mémin
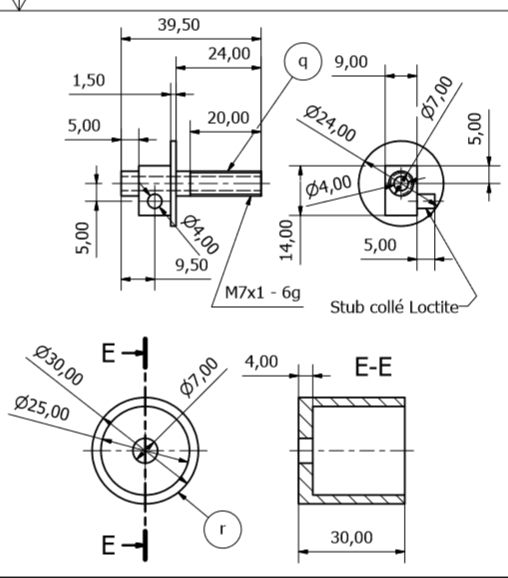
Voici les vues correspondantes. Effectivement, il n'y a pas de consignes d'assemblage.
Rien ne sert de chauffer si ça veut pas tourner
Re: stirling Béta plan de Rudy Mémin
vissé sur le guide deplaceur M7x1
j'ai fait ce moteur en 2011
ne fait pas ma connerie du deplaceur et piston en teflon
Re: stirling Béta plan de Rudy Mémin
Bonjour à tous,
j'avais reçu ce moteur de Fernand Petitjean, il ne fonctionnait pas et il y avait justement un souci avec le piston qui avait pas mal chauffé lors des expositions qu'il faisait, et je l'avais réparé, cliquez sur la photo pour les voir toutes
et en bas de la page on voit l'ancien piston et le nouveau que j'ai refais avec le joint en cuir

j'avais reçu ce moteur de Fernand Petitjean, il ne fonctionnait pas et il y avait justement un souci avec le piston qui avait pas mal chauffé lors des expositions qu'il faisait, et je l'avais réparé, cliquez sur la photo pour les voir toutes
et en bas de la page on voit l'ancien piston et le nouveau que j'ai refais avec le joint en cuir

mon site perso : http://blooo.fr/
Re: stirling Béta plan de Rudy Mémin
Bonjour à tous,
De retour chez moi, je vois que je n'ai plus rien à ajouter aux différentes réponses et aux photos du moteur de Fernand Petitjean. Un grand merci à Bege pour tout le boulot d'archives bien utiles pour connaître ce que peut devenir une réalisation bien didactique.
Quand j'ai étudié le plan de ce moteur, j'ai éprouvé pas mal de difficultés à comprendre, d'où un schéma que j'avais fait pour visualiser avant de me lancer dans sa réalisation. Je le mets en fichier pdf.
Cordialement,
jmb
De retour chez moi, je vois que je n'ai plus rien à ajouter aux différentes réponses et aux photos du moteur de Fernand Petitjean. Un grand merci à Bege pour tout le boulot d'archives bien utiles pour connaître ce que peut devenir une réalisation bien didactique.
Quand j'ai étudié le plan de ce moteur, j'ai éprouvé pas mal de difficultés à comprendre, d'où un schéma que j'avais fait pour visualiser avant de me lancer dans sa réalisation. Je le mets en fichier pdf.
Cordialement,
jmb
- Malevthi
- Administrateur du site
- Messages : 5087
- Enregistré le : ven. 28 mai 2010 21:13
- Localisation : Digne les Bains (04)
Re: stirling Béta plan de Rudy Mémin
Merci jmb 
Le vrai trésor, c'est de transmettre ses connaissances (pas les virus !)
Re: stirling Béta plan de Rudy Mémin
Merci pour vos réponses
Rien ne sert de chauffer si ça veut pas tourner
Re: stirling Béta plan de Rudy Mémin
Salut,
Je suis en train d'essayer de réaliser ce moteur et après avoir essayé de trouver une alternative à ce joint en cuir (un peu étrange vous me l’accorderez) je renonce et me décide à le fabriquer
. Quel type de cuir choisir (si c'est important) ?
Vous lubrifiez avec quoi car niveau frottement ça doit pas être tip top ?
Par ailleurs connaissez quelques 'améliorations' simples que l'on puisse apporter à ce moteur ?
Guillaume
Je suis en train d'essayer de réaliser ce moteur et après avoir essayé de trouver une alternative à ce joint en cuir (un peu étrange vous me l’accorderez) je renonce et me décide à le fabriquer
Vous lubrifiez avec quoi car niveau frottement ça doit pas être tip top ?
Par ailleurs connaissez quelques 'améliorations' simples que l'on puisse apporter à ce moteur ?
Guillaume
Re: stirling Béta plan de Rudy Mémin
Bonjour Guillaume,
ah il y a déjà un moment que j'avais réparé ce moteur, donc je ne sais plus trop, mais il me semble quand même bien que après avoir refait un nouveau piston en aluminium j'avais remis un joint en cuir, maintenant quel cuir? ça je ne sais plus trop, je crois que c'était un vieux tablier de soudeur ou j'avais découpé un morceau
mais je devais bien l'imbiber d'huile pour parfaire l'étanchéité, désolé ne ne pas pouvoir t'aider plus ;)
ah il y a déjà un moment que j'avais réparé ce moteur, donc je ne sais plus trop, mais il me semble quand même bien que après avoir refait un nouveau piston en aluminium j'avais remis un joint en cuir, maintenant quel cuir? ça je ne sais plus trop, je crois que c'était un vieux tablier de soudeur ou j'avais découpé un morceau
mais je devais bien l'imbiber d'huile pour parfaire l'étanchéité, désolé ne ne pas pouvoir t'aider plus ;)
mon site perso : http://blooo.fr/
- Malevthi
- Administrateur du site
- Messages : 5087
- Enregistré le : ven. 28 mai 2010 21:13
- Localisation : Digne les Bains (04)
Re: stirling Béta plan de Rudy Mémin
Le cuir de pangolin est à proscrire (trop d'écailles), de toutes façons il est en voie de disparition. 
Le vrai trésor, c'est de transmettre ses connaissances (pas les virus !)
- minimotoriste
- Messages : 2198
- Enregistré le : mer. 6 juin 2012 03:54
- Localisation : 82 castelsarrasin
Re: stirling Béta plan de Rudy Mémin
Bonsoir Guillaume et tout le monde
sur notre forum
ce serait très sympa
) et ça va compresser du tonnerre.
Qualité d'usinage, précision et rigueur sont la garantie d'un bon fonctionnement
A bientôt avec des photos on espère .@+++.Henry.
C'est une combine qui fonctionne très bien, un bout de gant de travail ( ou de jardin) est parfaitement adapté (en cuir bien sur!!) mais il faut le former après avoir découpé le milieu (le plus précis possible ) et grossièrement l'extérieur, il faut le former sur un mandrin de ce type après l'avoir bien ramolli dans l'eau Le diamètre extérieur (diamètre de la bague intérieure de formage ) sera de 1 à 2/10 inférieur de celui du cylindre, il n'y a plus qu'à faire sécher (four , pistolet à air chaud .....), retailler la hauteur de la lèvre (5 mm environ), une goutte de vaseline (oui ça sert à ça
Qualité d'usinage, précision et rigueur sont la garantie d'un bon fonctionnement
A bientôt avec des photos on espère .@+++.Henry.
Re: stirling Béta plan de Rudy Mémin
Salut à tous,
Merci pour tous vos messages
! J'ai du mettre le projet en pause un peu mais je m'y remet j'ai le joint et effectivement niveau étanchéité c'est sans comparaison... J'ai encore quelques problèmes de frottements résiduels mais j'espère y remédier et tester tout ça.
Vous êtes d'une réactivité impressionnante
Mais je manque à tous mes devoirs : je vous envoie des photos et une petite description bientôt.
Merci pour tous vos messages
Vous êtes d'une réactivité impressionnante
Qui est en ligne
Utilisateurs parcourant ce forum : Aucun utilisateur enregistré et 4 invités