moteur hit & miss oscillant
Re: moteur hit & miss oscillant
Bravo Gégé, encore une belle réalisation à ton actif. Plus complexe qu'il n'y paraît au vu de toutes tes photos.
Comme toujours la vitesse d'exécution de tout cet ensemble laisse pantois.
Certain qu'il tourne à merveille !
Comme toujours la vitesse d'exécution de tout cet ensemble laisse pantois.
Certain qu'il tourne à merveille !
- vilbrequin
- Messages : 1229
- Enregistré le : ven. 7 janv. 2011 23:16
- Localisation : Essonne
Re: moteur hit & miss oscillant
Bravo Gégé, tu est un champion
, le prochain tu nous fait un 12 cylindres en V 
- Malevthi
- Administrateur du site
- Messages : 5080
- Enregistré le : ven. 28 mai 2010 21:13
- Localisation : Digne les Bains (04)
Re: moteur hit & miss oscillant
Super Gégé !
Il marche parfaitement avec un son bien sympa
Belle finition.
Il marche parfaitement avec un son bien sympa
Belle finition.
Le vrai trésor, c'est de transmettre ses connaissances (pas les virus !)
Re: moteur hit & miss oscillant
La mise au point n'est jamais un problème -une fois les pièces usinées en quatrième vitesse et montées idem - le moteur tourne...
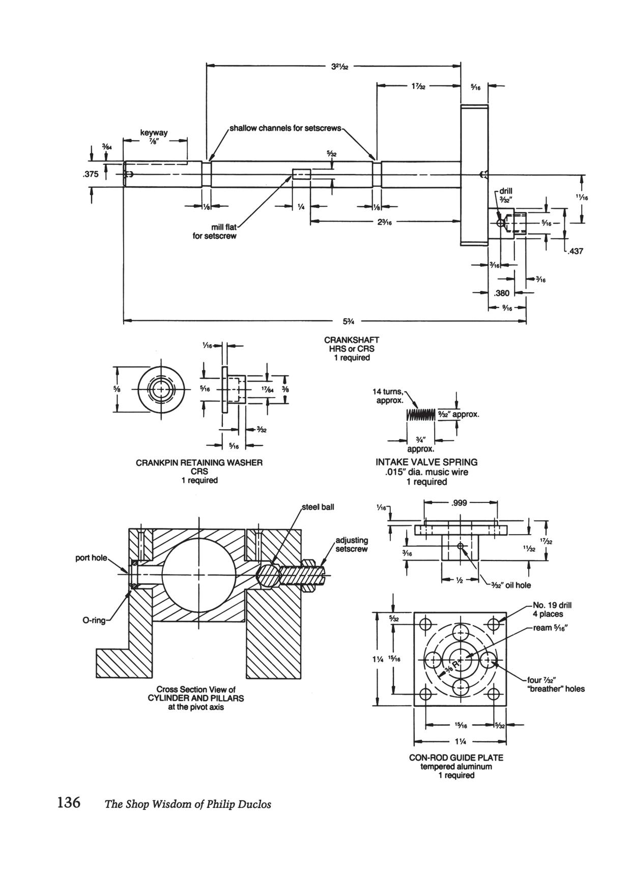
l’étanchéité entre le bloc soupapes et le cylindre et son axe d'oscillation se fait comment ? c'est l'équivalent du joint de culasse, avec la pression de la combustion ! C'est le petit joint torique qu'on voit sur les photos ?
l’étanchéité entre le bloc soupapes et le cylindre et son axe d'oscillation se fait comment ? c'est l'équivalent du joint de culasse, avec la pression de la combustion ! C'est le petit joint torique qu'on voit sur les photos ?
François-Marie, not quite a know-it-all
https://photos.app.goo.gl/MZJvmep2uQ4HedYD9
https://www.youtube.com/c/francoismariemeunier
https://photos.app.goo.gl/MZJvmep2uQ4HedYD9
https://www.youtube.com/c/francoismariemeunier
- vaperigord
- Messages : 539
- Enregistré le : jeu. 20 déc. 2018 22:40
Re: moteur hit & miss oscillant
chapeau
Re: moteur hit & miss oscillant
par le joint torique logé dans le support palier ,on regle la pression sur le joint par la vis sans tete voir photo
un moteur a élastique
- vaperigord
- Messages : 539
- Enregistré le : jeu. 20 déc. 2018 22:40
Re: moteur hit & miss oscillant
un moteur a élastique
élastique a gaz ou a vapeur?
élastique a gaz ou a vapeur?
- Malevthi
- Administrateur du site
- Messages : 5080
- Enregistré le : ven. 28 mai 2010 21:13
- Localisation : Digne les Bains (04)
Re: moteur hit & miss oscillant
Un avaleur de flamme ? 
Le vrai trésor, c'est de transmettre ses connaissances (pas les virus !)
Re: moteur hit & miss oscillant
Un moteur à élastique, ça peut être très difficile aussi !
regarde les avions "indoor" qui volent tranquillement pendant plus d'une minute...
https://www.youtube.com/watch?v=PE0U0Ts ... Rg&index=2
regarde les avions "indoor" qui volent tranquillement pendant plus d'une minute...
https://www.youtube.com/watch?v=PE0U0Ts ... Rg&index=2
François-Marie, not quite a know-it-all
https://photos.app.goo.gl/MZJvmep2uQ4HedYD9
https://www.youtube.com/c/francoismariemeunier
https://photos.app.goo.gl/MZJvmep2uQ4HedYD9
https://www.youtube.com/c/francoismariemeunier
- Malevthi
- Administrateur du site
- Messages : 5080
- Enregistré le : ven. 28 mai 2010 21:13
- Localisation : Digne les Bains (04)
Re: moteur hit & miss oscillant
Mon premier avion volant était à élastique. Celui-ci c'est cassé en vol et le fuselage papier balsa a semblé être mitraillé, des petits bouts de bois partaient dans tous les sens. On aurait dit un combat aérien. 
Le vrai trésor, c'est de transmettre ses connaissances (pas les virus !)
Qui est en ligne
Utilisateurs parcourant ce forum : Aucun utilisateur enregistré et 2 invités