De Dion Bouton

Avatar du membre
vaperigord
Messages : 555
Enregistré le : jeu. 20 déc. 2018 22:40

Re: De Dion Bouton

Message non lu par vaperigord »

:coucou:
quelques photos du puzzle a assembler :aie:
ya plus qu'a
Fichiers joints
P1220572.JPG
P1220573.JPG
P1220574.JPG
P1220575.JPG

Avatar du membre
Zéphyrin
Messages : 3256
Enregistré le : sam. 3 sept. 2011 20:25
Localisation : Essonne
Contact :

Re: De Dion Bouton

Message non lu par Zéphyrin »

Pas mal de pièces sur la photo, d'autan plus que la plupart sont déjà des assemblages...beaucoup de temps et de boulot, bravo!

Avatar du membre
vilbrequin
Messages : 1229
Enregistré le : ven. 7 janv. 2011 23:16
Localisation : Essonne

Re: De Dion Bouton

Message non lu par vilbrequin »

Voila un modèle original, bravo pour cette réalisation TOP TOP , j'ai hâte de voir la vidéo.

Avatar du membre
vaperigord
Messages : 555
Enregistré le : jeu. 20 déc. 2018 22:40

Re: De Dion Bouton

Message non lu par vaperigord »

:coucou:
début du montage,après sablage et peinture chassis et chaudière montage des accéssoirs sur la chaudière puis installation tuyauterie vapeur
Fichiers joints
P1220751.JPG
P1220752.JPG
P1220753.JPG
P1220754.JPG
P1220755.JPG

Avatar du membre
jacques987
Messages : 1284
Enregistré le : dim. 30 mai 2010 09:06
Site Internet
Localisation : Polynésie française
Contact :

Re: De Dion Bouton

Message non lu par jacques987 »

Bonsoir,
Superbe modèle et travail superbe :bravo
Le genre de réalisation qui entretient le rêve ...

mica51
Messages : 6
Enregistré le : mer. 26 juin 2019 08:57

Re: De Dion Bouton

Message non lu par mica51 »

Bonjour,
Bravo pour la description et la réalisation du modèle.
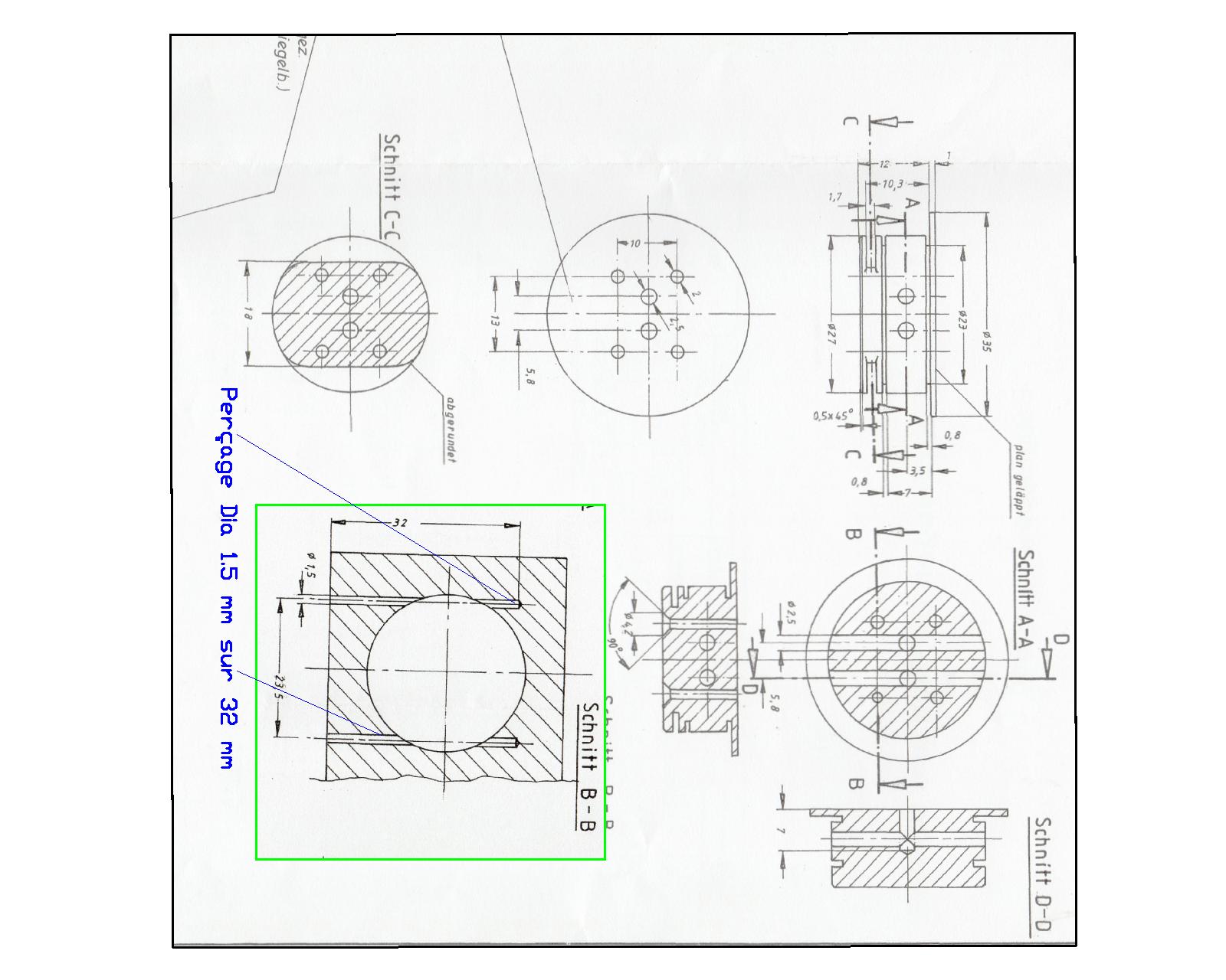
Les cylindres du moteur sont maintenus en rotation par 4 tirants de D1.5x35 St37K (N°41) avec un perçage Dia 1.5 mm sur 32 mm du Bloc moteur (N°1). Quelle est la méthode pour ne pas casser les forets ? a condition de percer les dia 1.5 mm avant l'alésage de 27 mm . Les plans d’origine ne précisent pas le bridage en U avec compensation par ressort des cylindres, je pense que le montage sert de maintien. Les 2 pièces (N°2) demandent un usinage de très grande précision. Les joints internes sont en téflon (N°5), comment les réalisés ?.
moteur dampf.jpg

Avatar du membre
vaperigord
Messages : 555
Enregistré le : jeu. 20 déc. 2018 22:40

Re: De Dion Bouton

Message non lu par vaperigord »

jacques987 a écrit :Bonsoir,
Superbe modèle et travail superbe :bravo
Le genre de réalisation qui entretient le rêve ...
bonsoir jacques
merci pour tes félicitations mais c'est un peu grace a toi.en effet pendant ma convalescence suite a mon accident je passais beaucoup de temps sur le net,je suis tombé par hasard sur ton site .après de nombreuses visites le virus ma attrapé et maintenant je suis contaminé :MERCI:

Ajouté 16 minutes 52 secondes après :
mica51 a écrit :Bonjour,
Bravo pour la description et la réalisation du modèle.
Les cylindres du moteur sont maintenus en rotation par 4 tirants de D1.5x35 St37K (N°41) avec un perçage Dia 1.5 mm sur 32 mm du Bloc moteur (N°1). Quelle est la méthode pour ne pas casser les forets ? a condition de percer les dia 1.5 mm avant l'alésage de 27 mm . Les plans d’origine ne précisent pas le bridage en U avec compensation par ressort des cylindres, je pense que le montage sert de maintien. Les 2 pièces (N°2) demandent un usinage de très grande précision. Les joints internes sont en téflon (N°5), comment les réalisés ?.
moteur dampf.jpg
bonsoir mica
comme toi quand je suis arrivé a la construction du moteur je me suis posé la même question. en plus le principe de ce moteur ne m'inspirait pas.
une fois le bloc usiné j'ai décidé de le modifier.tout en gardant les même dimensions et la même cylindrée,je suis passé a un oscillant classique plus facile a usiner et tout aussi efficace.d'ou la présence du U pour maintenir les cylindres plaqués

Avatar du membre
Zéphyrin
Messages : 3256
Enregistré le : sam. 3 sept. 2011 20:25
Localisation : Essonne
Contact :

Re: De Dion Bouton

Message non lu par Zéphyrin »

je ne vois pas trop comment se présente ce montage, mais s'il faut percer un trou de 1.5 à moitié dans le vide ça va pas le faire...il faut un martyr dans la cavité centrale pour faire ces perçages...et même un martyr en 2 parties pour le sortir facilement après.

Avatar du membre
vaperigord
Messages : 555
Enregistré le : jeu. 20 déc. 2018 22:40

Re: De Dion Bouton

Message non lu par vaperigord »

Zéphyrin a écrit :je ne vois pas trop comment se présente ce montage, mais s'il faut percer un trou de 1.5 à moitié dans le vide ça va pas le faire...il faut un martyr dans la cavité centrale pour faire ces perçages...et même un martyr en 2 parties pour le sortir facilement après.
je pense comme mica qu'il faut percer les trous de 1,5 avant de faire l'alésage de 27 ?

Avatar du membre
vilbrequin
Messages : 1229
Enregistré le : ven. 7 janv. 2011 23:16
Localisation : Essonne

Re: De Dion Bouton

Message non lu par vilbrequin »

Oui percer les trous de 1,5 avant l'alésage ;-) , autrement c'est direction poubelle :nul:

Avatar du membre
gégé89
Messages : 2383
Enregistré le : sam. 14 mai 2011 10:41
Localisation : yonne

Re: De Dion Bouton

Message non lu par gégé89 »

percer de chaque coté jusqu'a déboucher dans le Ø27 et reboucher un coté :aie: c'est pas le plus simple c'est sur :roll:

Avatar du membre
vaperigord
Messages : 555
Enregistré le : jeu. 20 déc. 2018 22:40

Re: De Dion Bouton

Message non lu par vaperigord »

pourquoi faire compliqué si on peu faire simple :aie: j'ai trouvé plus facile la construction d'un oscillant classique sans compter sur l'étanchéité du rond qui oscille dans le trou, l'alésage qui doit être parfait .la modif a également permi d'enlever de la matière pour éviter d'avoir un trop gros volume a réchauffer au démarrage ça condense pas mal a froid.sur le plant il est d'ailleurs prévu un e purge entre les deux ronds ( le moteur avait énormément de mal a tourner a froid dixit l'auteur du plant) alors qu'avec l'oscillant classique ça fonctionne du feu de *** *** :) :)

mica51
Messages : 6
Enregistré le : mer. 26 juin 2019 08:57

Re: De Dion Bouton

Message non lu par mica51 »

Bonjour,
Un dessin avec une explication est le bienvenu concernant un oscillant classique. :bravo

mica51
Messages : 6
Enregistré le : mer. 26 juin 2019 08:57

Re: De Dion Bouton

Message non lu par mica51 »

Bonjour,

Voici un extrait du plan du moteur, en rouge les goupilles de maintient et en vert les joints en téflon.
IMG_011 copie.pdf
plan de coupe moteur
(174.72 Kio) Téléchargé 281 fois
IMG_011.jpg

Avatar du membre
jacques987
Messages : 1284
Enregistré le : dim. 30 mai 2010 09:06
Site Internet
Localisation : Polynésie française
Contact :

Re: De Dion Bouton

Message non lu par jacques987 »

Bonsoir,
J'avoue que je ne comprends pas bien comment le placage des cylindres se réalise et de ce fait comment on peut modifier le serrage. La solution de l'étrier adoptée par Vaperigord me semble la meilleure.

Répondre

Retourner vers « Ensembles vapeur stationnaires ou mobiles »

Qui est en ligne

Utilisateurs parcourant ce forum : Aucun utilisateur enregistré et 2 invités